Seite 5 von 7
Re: 2-Takt-Köpfe Brennraumformen
Verfasst: Montag 4. Januar 2021, 19:52
von Universaldilettant
Jetzt wollte ich mir sofort das Buch bestellen. Mist! Gibts nur bei denen, wo ich aus quasi religiösen Gründen nix kaufe.
Hat das hier einer für mich?!
Wenn ich heute noch wüsste, welches Ansauggebastel ich damals dran hatte...
Aber ich würde nicht ausschließen, daß Du damit ins Schwarze getroffen hast.
Gruß Lukas
Re: 2-Takt-Köpfe Brennraumformen
Verfasst: Montag 4. Januar 2021, 20:19
von Universaldilettant
Da frag ich dir doch gleich das nächste Loch in den Bauch.
Daß ich den Ansauggeräuschdämpfer verkehrt auf den Jikov geschraubt habe, haste bestimmt schon erkannt.
Geht ja auch schlecht anders, wenn man den Tank nicht versetzt.
Ohne so ein Ding auseinanderzunehmen hab ich mich darauf beschränkt, das bisschen Blech an der Unterseite vorläufig nur wegzuschneiden aber nicht wieder an der anderen Seite anzusetzen.
Ich hoffe Du verstehst welche ich meine. Sieht man den Ansaugdämpfer von unten an, sind da so halbkreisige Stehbleche um die beiden Löcher...
Andere haben sich da ne Brotdose draufgebastelt. Ich hab mich dafür entschieden, so nah wie möglich an der Originalanlage zu bleiben.
Keine Ahnung, was nun besser wäre.
Noch weniger weiß ich, wofür die Bleche da sind.
Gruß Lukas
Re: 2-Takt-Köpfe Brennraumformen
Verfasst: Montag 4. Januar 2021, 20:33
von Universaldilettant
Da ich fürchte, mich nicht wirklich verständlich habe ausdrücken zu können, hab ich mal ein Bild gemacht und dabei festgestellt, daß es sich auch eher nur um ein Dreiviertel handelt. Nach meinem Geschnippel warens nur noch Hakbkreise.
Das ist ein, bis auf das Entlacken, unveränderter Topf.
Bei dem von mir besprochenen hab ich die Öffnung zur anderen Seite erweitert.
Re: 2-Takt-Köpfe Brennraumformen
Verfasst: Montag 4. Januar 2021, 21:06
von Universaldilettant
Schön wäre in diesem Zusammenhang noch ein Klopfsensor
Na, da haste mich doch schon wieder auf die nächste Fährte gesetzt.
Wo vermutest Du denn die Klopfneigung?
Bestimmt zuerst in der erhöhten Verdichtung.
Am Sprit wirds eher nicht liegen.
Nebenan im Pappenforum werden grad nebenbei verschiedene elektronische Zündungen verantwortlich gemacht...
Zusatzfrage: Wo willste den Klopfsensor einspeisen lassen?
Gruß Lukas
Re: 2-Takt-Köpfe Brennraumformen
Verfasst: Montag 4. Januar 2021, 21:59
von bic
Universaldilettant hat geschrieben: ↑Montag 4. Januar 2021, 19:52
Jetzt wollte ich mir sofort das Buch bestellen. Mist! Gibts nur bei denen, wo ich aus quasi religiösen Gründen nix kaufe.
Gibts auch bei Booklooker, allerdings teurer:
Kauf aber keine ältere Auflage, da ist das Kapitel noch nicht drin.
Re: 2-Takt-Köpfe Brennraumformen
Verfasst: Montag 4. Januar 2021, 22:40
von bic
Universaldilettant hat geschrieben: ↑Montag 4. Januar 2021, 20:33
Da ich fürchte, mich nicht wirklich verständlich habe ausdrücken zu können, hab ich mal ein Bild gemacht und dabei festgestellt, daß es sich auch eher nur um ein Dreiviertel handelt. Nach meinem Geschnippel warens nur noch Hakbkreise.....Bei dem von mir besprochenen hab ich die Öffnung zur anderen Seite erweitert.
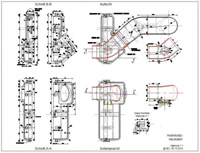
Ist zwar jetzt nicht nachvollziehbar was Du meinst, aber so sieht das Teil geöffnet aus:
Wie man sieht handelt es sich quasi um einen Zwei-in-Ein-Helmholtzresonator und ein weiterer befindet sich im Unterteil des Luftfiltergehäuses. Alle Resonatoren zusammen sind darauf ausgelegt, die druckimpulsbehafteten Schwingungsvorgänge im Ansaugttrackt soweit zu dämpfen, dass man Ende einen möglichts gleichmäßigen Lambdaverlauf über die Drehzahl und Last bekommt (ohne die Resonatoren ist dies leider pysikalisch nicht möglich). Deshalb habe ich mir für die Solex-Anlage auch selbst einen entwickelt (der im Luftfilter bleibt ja unverändert), welcher über die Länge des Anschlußröhrchens zwischen ca. 65 und 130 Hz abstimmbar ist:


Was du aber nun gemacht hast, ist die Verringerung des Volumens des Resonatorkörpers. Hierdurch wurde dessen Resonanzfrequenz nach oben verschoben, was i.d.R. beim Dreizylinder mit sich überschneidenden Einlaßsteuerzeiten zu einer Anfettung im unteren bis zum mittleren Drehzahlbereich führt, die "ideale" Lambdakurve ist jedenfalls hinne (immer moch besser als anders herum

)
Re: 2-Takt-Köpfe Brennraumformen
Verfasst: Montag 4. Januar 2021, 22:56
von bic
Universaldilettant hat geschrieben: ↑Montag 4. Januar 2021, 21:06
Wo vermutest Du denn die Klopfneigung?
Ich vermute keine Klopfneigung, sondern halte es für sinnvoll, bei der Vergaserabstimmung auch die Klopfgrenze genau zu kennen. Diese hört ein Klopfsensor natürlich besser als die eigenen Ohren.
Nebenan im Pappenforum werden grad nebenbei verschiedene elektronische Zündungen verantwortlich gemacht...
Ja, ja - dabei ist es doch so einfach, entweder gelingt es der Zündanlage (welcher auch immer) das Gemisch zu entzünden oder eben nicht. Das hat dann aber eher etwas mit deren Leistungsfähigkeit (Höhe der Zündspannung, gespeicherte Zündenergie) zu tun, aber keine Auswirkung auf die Klingelneigung. Diese hat dann zwar der Zündzeitpunkt, aber der lässt sich bei einer "schwachen" Zündanlage genauso verstellen, wie bei einer "starken" - die Diskusion ist also müßig.
Zusatzfrage: Wo willste den Klopfsensor einspeisen lassen?

Es gab da mal so eine schöne, an die Zeitronix anschließbare Auswerteinheit für Standardsensoren:
Die ist aber leider nicht mehr zu finden

Re: 2-Takt-Köpfe Brennraumformen
Verfasst: Dienstag 5. Januar 2021, 18:21
von markush
nabend...
Universaldilettant hat geschrieben: ↑Montag 4. Januar 2021, 16:43
Wo hastn die Fühler dann wie angebracht?
Das Gerät ist hauptsächlich für's Motorrad gedacht, darum habe ich mir möglichst kleine Fühler besorgt. Die haben ein M6-Außengewinde und werden in entsprechend hergestellte Gewindebohrungen im Krümmer kurz hinter dessen Anschluß am Zylinder montiert (liegen also im Abgasstrom). Geht beim Wartburg-Krümmer auch ganz einfach.
Re: 2-Takt-Köpfe Brennraumformen
Verfasst: Samstag 9. Januar 2021, 17:26
von Universaldilettant
@Markush
Haste zufällig Max6675 Fühler verbaut?
@bic
Ich war zu ungeschickt, das "Problem" zu beschreiben.
Hier noch ein Bild vom umgebastelten Topf:
Es ist nur das Blechstreifchen unten am Ansaugtopf, welches ich meinte.
Kannst Du mir sagen, was die Veränderung der Leitungslänge zwischen Ansaugtopf und Luftfilterkasten an Einfluss hat? Ob es einen Unterschied macht, daß ich da die Flexleitung und nicht ne glatte Innenwandung habe...
..und welchen Einfluß das einfache Drehen des Ansaugtopfes auf das Ganze haben wird.
Es wäre ja wohl wenig sinnvoll, sich tolle höherverdichtete Köpfe, Kennfeldzündungen und jede Menge tolles Meßzeug anzubauen, bevor man nicht die vorher eingebauten Fehler gefunden hat.
Und noch ne Frage: Warum funktionieren Brotdosen, wenn das System doch so sensibel ist?
Gruß und Dank
Lukas
PS: Das Buch ist geordert.

Re: 2-Takt-Köpfe Brennraumformen
Verfasst: Samstag 9. Januar 2021, 17:49
von Universaldilettant
Re: 2-Takt-Köpfe Brennraumformen
Verfasst: Samstag 9. Januar 2021, 17:52
von markush
Moin!
Max6675 ist kein Fühler, sondern ein IC, mit dem eine Auswerteschaltung für K-Typ-Fühler realisiert werden kann.
Die nötige Elektronik ist aber schon in meinen (China-) Anzeigeinstrumenten enthalten.
Meine Fühler sind solche wie die unter diesem Link:
https://www.ebay.de/itm/Temperaturfuehl ... 2305158957
bis dann
Markus
Re: 2-Takt-Köpfe Brennraumformen
Verfasst: Samstag 9. Januar 2021, 18:10
von Universaldilettant
Da haste natürlich völlig Recht. Ich meinte wohl den Fühler Typ K.
Daß der so klein und kurz ist macht kein Problem?
Das ists, was ich eigentlich herausfinden wollte.
Gruß Lukas
Re: 2-Takt-Köpfe Brennraumformen
Verfasst: Samstag 9. Januar 2021, 18:17
von Universaldilettant
markush hat geschrieben: ↑Samstag 9. Januar 2021, 17:52
Die nötige Elektronik ist aber schon in meinen (China-) Anzeigeinstrumenten enthalten.
Da bin ich gerade dabei herauszufinden, ob man da was mit Arduino oder Raspberry machen kann.
Gruß Lukas
PS: Zündseitig ist die Entscheidung für ORP TCIP4 beschlossene Sache.
Re: 2-Takt-Köpfe Brennraumformen
Verfasst: Samstag 9. Januar 2021, 20:45
von Universaldilettant
bic hat geschrieben: ↑Montag 4. Januar 2021, 22:56
Ja, ja - dabei ist es doch so einfach, entweder gelingt es der Zündanlage (welcher auch immer) das Gemisch zu entzünden oder eben nicht.
Öhm - nee. Denen gehts dabei um Doppelzündung, was wohl irgendwelche E-Zündungen fleißigerweise tätigen. Ursprung ist Kerzenstecker und Zündkabel.
Wie immer (oder zumindest sehr oft bei mir), nur Sekundärwissen, welches ich versuche einzuordnen.
Gruß Lukas
Re: 2-Takt-Köpfe Brennraumformen
Verfasst: Sonntag 10. Januar 2021, 10:49
von markush
Moin!
Ich meinte wohl den Fühler Typ K. Daß der so klein und kurz ist macht kein Problem? Das ists, was ich eigentlich herausfinden wollte.
Nein, warum sollte es ein Problem sein? So dick ist die Krümmerwandung bei den Mopeten nicht (wofür die Fühler ja in erster Linie sind), und beim Wartburg-Krümmer reicht die Länge auch.
...ob man da was mit Arduino oder Raspberry machen kann...
Bestimmt geht das. Warum einfach, wenn's auch umständlich geht. Es sei denn, der Mini-Computer übernimmt noch andere Aufgaben und macht die Temperaturmessung nebenbei mit. Man "braucht" die Abgastemperatur
anzeige eigentlich nur bei Abstimmarbeiten am neu und modifiziert aufgebauten Motor; wenn der dann betriebssicher eingestellt ist, kann man auf die Temperaturanzeige getrost verzichten.